Trong các hệ thống đường ống công nghiệp, đặc biệt là môi trường hơi nóng áp suất cao, việc lựa chọn loại van phù hợp đóng vai trò then chốt để đảm bảo an toàn, ổn định và tiết kiệm chi phí vận hành. Trong số các dòng van hiện nay, van cầu chữ ngã inox (hay còn gọi là van hơi chữ ngã inox, van hơi yên ngựa inox) được sử dụng phổ biến nhờ thiết kế đặc biệt cùng vật liệu inox bền bỉ. Với khả năng điều tiết lưu lượng chính xác, độ kín cao và tính chịu nhiệt vượt trội, đây là giải pháp lý tưởng cho nhiều nhà máy, xí nghiệp.
I. Van cầu chữ ngã inox là gì?
Van cầu chữ ngã inox là một dạng van chuyên dùng cho đường ống hơi nóng, được thiết kế với thân van dạng chữ ngã (nghiêng như yên ngựa). Thiết kế này giúp cho dòng môi chất (đặc biệt là hơi nóng) đi qua van có sự thay đổi hướng nhẹ nhàng, từ đó giảm mài mòn và nâng cao độ kín.

Điểm đặc biệt là toàn bộ van được chế tạo bằng vật liệu inox 304 hoặc inox 316 – những loại thép không gỉ có độ bền cơ học cao, khả năng chống ăn mòn tốt và chịu được nhiệt độ, áp suất khắc nghiệt. Chính vì vậy, so với các loại van gang hay thép carbon, van cầu chữ ngã inox có tuổi thọ dài hơn, hiệu suất ổn định hơn trong điều kiện làm việc liên tục với hơi nóng.
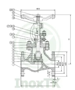
II. Cấu tạo của van cầu chữ ngã inox
Để hiểu rõ ưu điểm, cần phân tích từng bộ phận của van cầu chữ ngã inox:
- Thân van (Body)
– Đúc nguyên khối từ inox 304 hoặc inox 316.
– Chịu áp lực chính của dòng hơi.
– Bề mặt sáng bóng, chống gỉ sét, không bị ăn mòn bởi hơi nước nóng hoặc môi trường chứa clo nhẹ. - Đĩa van (Disc)
– Có hình nón hoặc đĩa tròn, tiếp xúc trực tiếp với dòng hơi.
– Đảm bảo đóng/mở và điều tiết lưu lượng.
– Thiết kế chuẩn giúp độ kín cao, hạn chế rò rỉ ngay cả ở áp suất PN25–PN40. - Trục van (Stem)
– Nối giữa tay quay hoặc bộ điều khiển với đĩa van.
– Được gia công cứng, chống cong vênh trong điều kiện siết lực lớn. - Nắp van (Bonnet) & Gioăng làm kín (Gasket)
– Nắp van bằng inox, kết hợp gioăng chịu nhiệt (PTFE, Graphite).
– Ngăn rò rỉ ra ngoài, đảm bảo an toàn cho hệ thống. - Cơ cấu vận hành
– Thường là tay quay vô lăng (manual).
– Ngoài ra có thể gắn bộ điều khiển khí nén hoặc điện để van vận hành như các loại van điều khiển tự động đóng mở từ xa. - Kiểu kết nối
– Ren: dùng cho DN nhỏ, áp suất vừa.
– Mặt bích: dùng cho DN lớn, hệ thống hơi công suất cao.
– Hàn: dùng cho hệ thống kín, hạn chế tháo lắp.

III. Thông số kỹ thuật
Khi lựa chọn van cầu chữ ngã inox, kỹ sư thường quan tâm đến các thông số sau:
- Vật liệu chế tạo: Inox 304 (CF8) hoặc Inox 316 (CF8M).
- Dải kích cỡ: DN15 – DN200.
- Áp suất làm việc: PN16, PN25, PN40.
- Nhiệt độ tối đa: –20°C → +425°C (tùy loại gioăng).
- Kiểu kết nối: Ren, mặt bích, hàn.
- Tiêu chuẩn sản xuất: DIN, JIS, ANSI, BS.
Những thông số này quyết định sự phù hợp của van với hệ thống hơi thực tế, đồng thời ảnh hưởng trực tiếp đến tuổi thọ và chi phí vận hành.

IV. Ưu điểm nổi bật của van cầu chữ ngã inox
So với các vật liệu truyền thống như gang, thép carbon, dòng van hơi chữ ngã inox có nhiều lợi thế kỹ thuật:
- Chịu nhiệt – chịu áp suất cao
– Vận hành ổn định trong môi trường hơi nóng bão hòa hoặc hơi quá nhiệt.
– Không biến dạng dưới áp suất PN25–PN40. - Chống ăn mòn vượt trội
– Inox 304 phù hợp môi trường hơi nước sạch, trung tính.
– Inox 316 chứa Molypden → chống ăn mòn trong môi trường có clo hoặc hóa chất nhẹ. - Điều tiết chính xác
– Thiết kế chữ ngã cho phép điều chỉnh lưu lượng tuyến tính.
– Hạn chế hiện tượng “đóng/mở gấp” như van bi. - Độ kín cao, an toàn tuyệt đối
– Gioăng chịu nhiệt + đĩa van chuẩn xác → hạn chế tối đa rò rỉ.
– Đảm bảo an toàn cho đường ống hơi áp cao. - Tuổi thọ lâu dài, bảo trì dễ dàng
– Không gỉ sét → ít phải thay thế.
– Có thể tháo lắp, vệ sinh thuận tiện trong quá trình bảo trì.

V. Ứng dụng thực tế của van hơi chữ ngã inox
Nhờ đặc tính chịu nhiệt, chịu áp và chống ăn mòn, dòng van cầu chữ ngã inox này được sử dụng rộng rãi trong các ngành:
- Nhà máy lò hơi, nồi hơi công nghiệp: điều tiết và kiểm soát hơi nóng.
- Nhà máy nhiệt điện: hệ thống đường ống hơi áp suất cao.
- Ngành dệt nhuộm – sản xuất giấy: dùng hơi để gia nhiệt, sấy khô.
- Chế biến gỗ, sấy nông sản: điều chỉnh lưu lượng hơi trong buồng sấy.
- Ngành công nghiệp nặng: các hệ thống hơi nóng yêu cầu độ kín và an toàn cao.
VI. Hướng dẫn lựa chọn van hơi chữ ngã inox
Để đảm bảo van hoạt động hiệu quả và bền bỉ trong hệ thống, kỹ sư cần cân nhắc các yếu tố sau:
- Chọn vật liệu phù hợp
– Inox 304 (CF8): Thích hợp cho môi trường hơi nóng thông thường, nước sạch, không chứa clo hay hóa chất ăn mòn mạnh. Giá thành hợp lý, phổ biến trong nhiều nhà máy.
– Inox 316 (CF8M): Chứa thêm 2–3% Molypden (Mo), giúp tăng khả năng chống ăn mòn clorua, chịu tốt trong môi trường hơi ẩm có muối, hóa chất nhẹ. Đây là lựa chọn cho các hệ thống yêu cầu độ bền cao và tuổi thọ dài. - Chọn kiểu kết nối
– Nối ren: Dùng cho đường ống DN nhỏ (DN15–DN50), áp suất trung bình, dễ lắp đặt và tháo dỡ.
– Mặt bích inox: Dùng cho DN lớn (DN50 trở lên), hệ thống hơi công suất cao, đảm bảo độ kín và an toàn hơn.
– Hàn: Dùng cho hệ thống kín, hạn chế tháo lắp, yêu cầu độ chắc chắn và chịu áp cao. - Chọn theo áp suất và nhiệt độ
– PN16: Hệ thống hơi áp suất thấp, nhu cầu cơ bản.
– PN25 – PN40: Dùng cho hệ thống áp suất cao, nhiệt độ cao, đặc biệt là hơi bão hòa hoặc hơi quá nhiệt. - Chọn phương thức vận hành
– Tay quay vô lăng: Thông dụng, đơn giản, chi phí thấp.
– Điều khiển khí nén/điện: Dùng cho hệ thống tự động hóa, điều khiển từ xa, đảm bảo an toàn trong môi trường có nhiệt độ cao hoặc nguy hiểm.
VII. Lưu ý khi lắp đặt và bảo trì
Để van cầu chữ ngã inox vận hành bền bỉ và hạn chế sự cố, cần tuân thủ các nguyên tắc sau:
- Lắp đặt đúng chiều dòng chảy: Trên thân van có ký hiệu mũi tên, nếu lắp ngược có thể làm giảm hiệu quả điều tiết hoặc gây hỏng đĩa van.
- Siết lực vừa phải: Tránh siết quá chặt bu-lông mặt bích hoặc thân ren, dễ làm cong trục hoặc hỏng gioăng.
- Bố trí khoảng không gian bảo trì: Không lắp quá sát tường hoặc thiết bị khác, cần chừa khoảng trống để tháo nắp van, thay thế đĩa hoặc gioăng khi cần.
- Bảo dưỡng định kỳ: Vệ sinh bên trong van để tránh cặn bám, kiểm tra gioăng định kỳ và thay mới khi có dấu hiệu chai cứng hoặc nứt.
- Bôi trơn trục van: Giúp quá trình đóng mở nhẹ nhàng, hạn chế kẹt trục khi làm việc lâu ngày trong môi trường hơi nóng.

VIII. Tại sao nên chọn van cầu chữ ngã inox của Inox TK
Khi tìm mua van hơi chữ ngã inox, lựa chọn đúng nhà cung cấp là yếu tố quan trọng không kém việc chọn đúng sản phẩm. Inox TK mang đến cho khách hàng những lợi thế vượt trội:
- Nhập khẩu chính hãng
– Tất cả sản phẩm đều được nhập trực tiếp từ nhà sản xuất uy tín, không qua trung gian.
– Có đầy đủ giấy tờ CO–CQ, minh bạch về nguồn gốc xuất xứ. - Kho hàng lớn – đa dạng chủng loại
– Luôn có sẵn van inox 304 và inox 316 với nhiều kích thước DN, PN khác nhau.
– Đáp ứng nhanh nhu cầu từ đơn hàng nhỏ lẻ đến dự án lớn. - Chất lượng kiểm định nghiêm ngặt
– Mỗi sản phẩm đều được kiểm tra áp lực, độ kín trước khi xuất kho.
– Đảm bảo vận hành an toàn trong hệ thống hơi nóng áp suất cao. - Đối tác uy tín
– Đã và đang cung cấp sản phẩm cho các tập đoàn, doanh nghiệp lớn như Habeco, Sabeco, Vinamilk, Cozy, Dược Hoa Linh, IDP.
– Khẳng định năng lực cung ứng và độ tin cậy của thương hiệu. - Dịch vụ tư vấn kỹ thuật chuyên sâu
– Đội ngũ kỹ sư am hiểu tiêu chuẩn đường ống công nghiệp.
– Hỗ trợ lựa chọn model phù hợp, tối ưu chi phí và hiệu suất vận hành.
Liên hệ ngay với Inox TK để được tư vấn và báo giá nhanh chóng:
THÔNG TIN LIÊN HỆ:
- SĐT: 088.666.4291 (Ưu tiên liên hệ qua Zalo)
- SĐT: 088.666.2480 (Ưu tiên liên hệ qua Zalo)
IX. FAQ – Những câu hỏi thường gặp
1. Van hơi chữ ngã inox có dùng được cho hơi quá nhiệt >200°C không?
Có, van inox 304 và 316 đều chịu được nhiệt độ cao. Tuy nhiên với hơi quá nhiệt >220°C, nên ưu tiên van có gioăng graphite để đảm bảo độ bền.
2. Khác biệt giữa inox 304 và inox 316 trong van hơi chữ ngã là gì?
Inox 304 thích hợp cho môi trường hơi nước sạch, trung tính. Inox 316 có khả năng chống ăn mòn cao hơn nhờ thành phần Mo, phù hợp với hơi chứa clo hoặc môi trường khắc nghiệt.
3. Van hơi chữ ngã inox có thể thay thế van cầu gang trong lò hơi không?
Hoàn toàn có thể. Van inox có tuổi thọ và độ bền cao hơn, ít bị gỉ sét, giúp hệ thống hơi vận hành an toàn và ổn định lâu dài.
4. Có loại van hơi chữ ngã inox điều khiển tự động không?
Có. Ngoài phiên bản tay quay, Inox TK cung cấp van hơi chữ ngã inox gắn bộ điều khiển khí nén hoặc điện, phù hợp cho hệ thống tự động hóa.
5. Inox TK có hỗ trợ xuất hóa đơn VAT và cung cấp CO–CQ không?
Có. Tất cả sản phẩm của Inox TK đều đi kèm CO–CQ đầy đủ, đồng thời hỗ trợ xuất hóa đơn VAT cho mọi đơn hàng.
Xem thêm:












Bảo –
Chất lượng tốt
Toàn –
Chất lượng tốt