1. Mặt bích inox vi sinh Serie A là gì?
Mặt bích inox vi sinh Serie A là dòng phụ kiện dùng để kết nối trong hệ thống đường ống inox vi sinh, được thiết kế để lắp ghép đồng bộ với ống theo tiêu chuẩn DIN 11850. Đây là nhóm mặt bích chuyên dùng cho các hệ thống yêu cầu độ sạch cao, khác với các dòng mặt bích thông thường như BS, JIS hay ANSI.
Đặc điểm chung của mặt bích vi sinh inox là kết cấu gọn, khả năng tháo lắp thuận tiện và độ đồng bộ cao khi sử dụng cùng hệ ống vi sinh đúng tiêu chuẩn. Mặt bích inox vi sinh Serie A cũng vậy, nó không chỉ đảm bảo chức năng kết nối mà còn giúp việc lắp đặt, thay thế và vệ sinh hệ thống trở nên dễ dàng hơn.

2. Cấu tạo bộ mặt bích inox vi sinh Serie A
Một bộ mặt bích inox vi sinh Serie A là tập hợp nhiều chi tiết đi cùng nhau để tạo thành một điểm kết nối hoàn chỉnh. Mỗi chi tiết trong bộ này đảm nhiệm một vai trò riêng, khi lắp đồng bộ tạo nên độ kín, độ ổn định và sự phù hợp với hệ ống DIN 11850.
- Mặt bích đực: Bộ phận này tham gia tạo hình dạng kết nối và giữ vai trò quan trọng trong việc định vị cụm bích khi lắp đặt.
- Mặt bích cái: Đây là chi tiết đi kèm với mặt bích đực để tạo thành cặp ghép hoàn chỉnh.
- Gioăng O-ring: Đây là bộ phận làm kín nằm giữa các bề mặt ghép nối.
Nhìn tổng thể, cấu tạo của bộ mặt bích inox vi sinh Serie A tuy không quá phức tạp nhưng đòi hỏi các chi tiết phải đúng loại, đúng cỡ và lắp đồng bộ với nhau. Ngoài ra còn có biến thể mặt bích mù đực inox vi sinh và mặt bích mù cái inox vi sinh với tác dụng bịt tạm thời đường ống để chờ lắp thiết bị hoặc mở rộng hệ thống.

3. Vật liệu chế tạo mặt bích inox vi sinh Serie A
Vật liệu là yếu tố quyết định trực tiếp đến độ bền, khả năng chống ăn mòn và tuổi thọ sử dụng của mặt bích inox vi sinh Serie A. Trong thực tế, hai mác thép không gỉ được dùng phổ biến nhất cho dòng sản phẩm này là inox 304 và inox 316.
3.1. Inox 304
Inox 304 là thép không gỉ Austenitic, có thành phần chính gồm sắt, Crom và Niken. Trong đó, crom là nguyên tố quan trọng nhất vì chính crom tạo ra một lớp màng oxit rất mỏng, bám chặt trên bề mặt kim loại. Lớp màng này gần như không nhìn thấy bằng mắt thường nhưng lại có vai trò rất lớn, vì nó giúp ngăn kim loại nền tiếp xúc trực tiếp với oxy, độ ẩm và nhiều tác nhân gây ăn mòn từ môi trường bên ngoài.
Nhờ có hàm lượng crom tương đối cao, inox 304 có khả năng chống oxy hóa tốt trong điều kiện làm việc thông thường. Khi bề mặt bị trầy xước nhẹ, lớp màng bảo vệ này còn có khả năng tự tái tạo nếu môi trường có oxy, từ đó giúp vật liệu duy trì khả năng chống gỉ ổn định trong thời gian dài. Bên cạnh crom, niken cũng là thành phần quan trọng vì nó giúp ổn định tổ chức Austenitic, tăng độ dẻo, tăng khả năng chịu ăn mòn và giúp vật liệu làm việc ổn định hơn trong nhiều điều kiện khác nhau.
Xét về mức độ chống ăn mòn, mặt bích vi sinh Serie A inox 304 hoạt động tốt trong môi trường nước sạch, nước sinh hoạt, hơi ẩm, không khí, dung dịch tẩy rửa thông thường và nhiều môi trường hữu cơ có tính ăn mòn không quá mạnh. Tuy nhiên, khả năng chống ăn mòn của inox 304 sẽ giảm rõ rệt khi làm việc trong môi trường có hàm lượng ion clorua cao, môi trường muối, một số hóa chất có tính xâm thực mạnh hoặc những vị trí thường xuyên bị đọng cặn, đọng dung dịch trên bề mặt.
3.2. Inox 316
Inox 316 cũng thuộc nhóm thép không gỉ Austenitic nhưng có thành phần khác inox 304 ở một điểm rất quan trọng, đó là có bổ sung Molypden. Chính nguyên tố này tạo ra khác biệt rõ rệt về khả năng chống ăn mòn. Nếu inox 304 chủ yếu dựa vào crom và niken để tạo độ bền chống gỉ, thì inox 316 ngoài crom và niken còn có thêm molypden để tăng khả năng kháng ăn mòn cục bộ, đặc biệt là trong các môi trường có tính xâm thực cao hơn.
Molypden giúp bề mặt vật liệu bền hơn trước sự tấn công của ion clorua và nhiều tác nhân ăn mòn mạnh. Nhờ đó, inox 316 chống rỗ bề mặt và chống ăn mòn khe hở tốt hơn inox 304. Đây là ưu điểm rất quan trọng vì trong thực tế, các dạng ăn mòn cục bộ thường xuất hiện trước, sau đó lan dần và làm giảm tuổi thọ của chi tiết kim loại. Khi có molypden, khả năng chịu đựng của vật liệu trước những môi trường này được nâng lên rõ rệt.
So với inox 304, inox 316 phù hợp hơn trong các môi trường như nước có độ mặn cao, khu vực ven biển, môi trường có chứa clorua, một số dung dịch hóa chất có tính ăn mòn mạnh hơn và các hệ thống cần duy trì độ ổn định vật liệu cao trong thời gian dài. Nói cách khác, nếu mặt bích vi sinh inox 304 phù hợp với điều kiện làm việc tiêu chuẩn thì mặt bích vi sinh inox 316 phù hợp với điều kiện khắt khe hơn, nơi rủi ro ăn mòn cao hơn và yêu cầu an toàn vật liệu cao hơn.
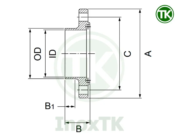
4. Thông số kích thước mặt bích inox vi sinh Serie A
Thông số kích thước là phần cốt lõi của mặt bích inox vi sinh Serie A vì đây là cơ sở để lắp ghép đồng bộ với ống DIN 11850 và các chi tiết đi kèm trong cùng một bộ. Dòng mặt bích này không chỉ có một chi tiết duy nhất mà gồm nhiều thành phần khác nhau, trong đó mỗi thành phần có hệ kích thước riêng. Nếu chỉ đúng tên sản phẩm mà sai kích thước ở một chi tiết thì cả bộ kết nối vẫn không thể lắp kín và vận hành ổn định.
![]() |
|||||
| BẢNG THÔNG SỐ MẶT BÍCH INOX VI SINH – SERIE A | |||||
| SIZE DIN | OD / ID × t | A | B | C | |
| 10 | 12.7 / 9.7 x 1.5 | 54.0 | 48.0 | 37 (4 / M8 x 30) | |
| 15 | 18.0 / 15.0 x 1.5 | 59.0 | 48.0 | 42 (4 / M8 x 30) | |
| 20 | 22.0 / 19.0 x 1.5 | 64.0 | 48.0 | 47 (4 / M8 x 30) | |
| 25 | 28.0 / 25.0 x 1.5 | 70.0 | 48.0 | 53 (4 / M8 x 30) | |
| 32 | 34.0 / 31.0 x 1.5 | 76.0 | 48.0 | 59 (4 / M8 x 30) | |
| 40 | 40.0 / 37.0 x 1.5 | 82.0 | 48.0 | 65 (4 / M8 x 30) | |
| 50 | 52.0 / 49.0 x 1.5 | 94.0 | 48.0 | 77 (4 / M8 x 30) | |
| 65 | 70.0 / 66.0 x 2.0 | 113.0 | 48.0 | 95 (8 / M8 x 30) | |
| 80 | 85.0 / 81.0 x 2.0 | 133.0 | 52.0 | 112 (8 / M10 x 35) | |
| 100 | 104.0 / 100.0 x 2.0 | 159.0 | 52.0 | 137 (8 / M10 x 40) | |
| 125 | 129.0 / 125.0 x 2.0 | 183.0 | 56.0 | 161 (8 / M10 x 40) | |
| 150 | 154.0 / 150.0 x 2.0 | 213.0 | 56.0 | 188 (8 / M12 x 50) | |
4.1. Thông số kích thước mặt bích đực Serie A
Mặt bích đực là chi tiết chính tham gia vào quá trình ghép nối nên kích thước của nó phải được đối chiếu rất chính xác. Các thông số quan trọng của chi tiết này gồm kích thước danh nghĩa, đường kính ngoài, kích thước phần lắp với ống và chiều dày thân bích. Đây là những dữ liệu quyết định chi tiết có khớp với cỡ ống DIN 11850 đang sử dụng hay không.
![]() |
|||||
| BẢNG THÔNG SỐ MẶT BÍCH ĐỰC VI SINH – SERIE A | |||||
| SIZE DIN | OD / ID × t | A | B | B1 | C |
| 10 | 12.7 / 9.7 x 1.5 | 54.0 | 25.5 | 10.0 | 37 (4 × Φ9) |
| 15 | 18.0 / 15.0 x 1.5 | 59.0 | 25.5 | 10.0 | 42 (4 × Φ9) |
| 20 | 22.0 / 19.0 x 1.5 | 64.0 | 25.5 | 10.0 | 47 (4 × Φ9) |
| 25 | 28.0 / 25.0 x 1.5 | 70.0 | 25.5 | 10.0 | 53 (4 × Φ9) |
| 32 | 34.0 / 31.0 x 1.5 | 76.0 | 25.5 | 10.0 | 59 (4 × Φ9) |
| 40 | 40.0 / 37.0 x 1.5 | 82.0 | 25.5 | 10.0 | 65 (4 × Φ9) |
| 50 | 52.0 / 49.0 x 1.5 | 94.0 | 25.5 | 10.0 | 77 (4 × Φ9) |
| 65 | 70.0 / 66.0 x 2.0 | 113.0 | 25.5 | 10.0 | 95 (4 × Φ9) |
| 80 | 85.0 / 81.0 x 2.0 | 133.0 | 27.5 | 10.0 | 112 (8 × Φ11) |
| 100 | 104.0 / 100.0 x 2.0 | 159.0 | 27.5 | 10.0 | 137 (8 × Φ11) |
| 125 | 129.0 / 125.0 x 2.0 | 183.0 | 29.5 | 10.0 | 161 (8 × Φ11) |
| 150 | 154.0 / 150.0 x 2.0 | 213.0 | 29.5 | 8.0 | 188 (8 × Φ14) |
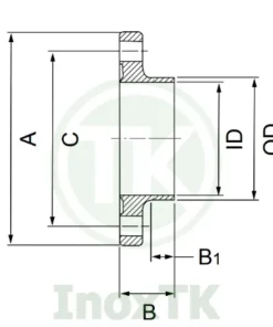
4.2. Thông số kích thước mặt bích cái Serie A
Mặt bích cái là chi tiết ghép cặp trực tiếp với mặt bích đực nên yêu cầu lớn nhất là phải đồng cỡ và đồng cấu hình lắp.
![]() |
|||||
| BẢNG THÔNG SỐ MẶT BÍCH CÁI VI SINH – SERIE A | |||||
| SIZE DIN | OD / ID × t | A | B | B1 | C |
| 10 | 12.7 / 9.7 x 1.5 | 54.0 | 24.0 | 10.0 | 37 (4 × Φ9) |
| 15 | 18.0 / 15.0 x 1.5 | 59.0 | 24.0 | 10.0 | 42 (4 × Φ9) |
| 20 | 22.0 / 19.0 x 1.5 | 64.0 | 24.0 | 10.0 | 47 (4 × Φ9) |
| 25 | 28.0 / 25.0 x 1.5 | 70.0 | 24.0 | 10.0 | 53 (4 × Φ9) |
| 32 | 34.0 / 31.0 x 1.5 | 76.0 | 24.0 | 10.0 | 59 (4 × Φ9) |
| 40 | 40.0 / 37.0 x 1.5 | 82.0 | 24.0 | 10.0 | 65 (4 × Φ9) |
| 50 | 52.0 / 49.0 x 1.5 | 94.0 | 24.0 | 10.0 | 77 (4 × Φ9) |
| 65 | 70.0 / 66.0 x 2.0 | 113.0 | 24.0 | 10.0 | 95 (4 × Φ9) |
| 80 | 85.0 / 81.0 x 2.0 | 133.0 | 26.0 | 10.0 | 112 (8 × Φ11) |
| 100 | 104.0 / 100.0 x 2.0 | 159.0 | 26.0 | 10.0 | 137 (8 × Φ11) |
| 125 | 129.0 / 125.0 x 2.0 | 183.0 | 28.0 | 10.0 | 161 (8 × Φ11) |
| 150 | 154.0 / 150.0 x 2.0 | 213.0 | 28.0 | 8.0 | 188 (8 × Φ14) |
4.3. Thông số kích thước gioăng O-ring Serie A
Gioăng O-ring là chi tiết trực tiếp tạo độ kín cho bộ mặt bích inox vi sinh Serie A. Dù là chi tiết nhỏ nhưng đây lại là phần ảnh hưởng rất rõ đến chất lượng làm kín của toàn bộ điểm kết nối.
![]() |
||
| BẢNG THÔNG SỐ O-RING MẶT BÍCH VI SINH – SERIE A | ||
| SIZE DIN | A | B |
| 10 | 11.0 | 3.5 |
| 15 | 17.0 | 3.5 |
| 20 | 21.0 | 3.5 |
| 25 | 27.0 | 3.5 |
| 32 | 33.0 | 5.0 |
| 40 | 39.0 | 5.0 |
| 50 | 51.0 | 5.0 |
| 65 | 68.0 | 5.0 |
| 80 | 83.0 | 5.0 |
| 100 | 102.0 | 5.0 |
| 125 | 127.0 | 5.0 |
| 150 | 152.0 | 5.0 |
4.4. Thông số kích thước mặt bích mù đực Serie A
Mặt bích mù đực được dùng để bịt kín một đầu chờ hoặc một vị trí kết nối chưa sử dụng trong hệ thống, tương thích với mặt bích cái Serie A. Dù chức năng là bịt kín thay vì ghép nối dòng chảy, chi tiết này vẫn phải tuân theo đúng hệ kích thước.
![]() |
|||
| BẢNG THÔNG SỐ MẶT BÍCH MÙ ĐỰC VI SINH – SERIE A | |||
| SIZE DIN | A | B | C |
| 10 | 54.0 | 11.5 | 37 (4 × Φ9) |
| 15 | 59.0 | 11.5 | 42 (4 × Φ9) |
| 20 | 64.0 | 11.5 | 47 (4 × Φ9) |
| 25 | 70.0 | 11.5 | 53 (4 × Φ9) |
| 32 | 76.0 | 11.5 | 59 (4 × Φ9) |
| 40 | 82.0 | 11.5 | 65 (4 × Φ9) |
| 50 | 94.0 | 11.5 | 77 (4 × Φ9) |
| 65 | 113.0 | 11.5 | 95 (4 × Φ9) |
| 80 | 133.0 | 13.5 | 112 (8 × Φ11) |
| 100 | 159.0 | 15.5 | 137 (8 × Φ11) |
| 125 | 183.0 | 15.5 | 161 (8 × Φ11) |
| 150 | 213.0 | 15.7 | 188 (8 × Φ14) |
4.5. Thông số kích thước mặt bích mù cái Serie A
Mặt bích mù cái cũng là chi tiết bịt kín nhưng được thiết kế theo cấu hình lắp tương ứng với mặt bích đực Serie A.
![]() |
|||
| BẢNG THÔNG SỐ MẶT BÍCH MÙ CÁI VI SINH – SERIE A | |||
| SIZE DIN | A | B | C |
| 10 | 54.0 | 10.0 | 37 (4 × Φ9) |
| 15 | 59.0 | 10.0 | 42 (4 × Φ9) |
| 20 | 64.0 | 10.0 | 47 (4 × Φ9) |
| 25 | 70.0 | 10.0 | 53 (4 × Φ9) |
| 32 | 76.0 | 10.0 | 59 (4 × Φ9) |
| 40 | 82.0 | 10.0 | 65 (4 × Φ9) |
| 50 | 94.0 | 10.0 | 77 (4 × Φ9) |
| 65 | 113.0 | 10.0 | 95 (4 × Φ9) |
| 80 | 133.0 | 12.0 | 112 (8 × Φ11) |
| 100 | 159.0 | 14.0 | 137 (8 × Φ11) |
| 125 | 183.0 | 14.0 | 161 (8 × Φ11) |
| 150 | 213.0 | 16.0 | 188 (8 × Φ14) |
5. Mua mặt bích inox vi sinh Serie A ở đâu uy tín?
Mặt bích inox vi sinh Serie A là dòng phụ kiện cần chọn đúng ngay từ đầu vì sản phẩm này không chỉ liên quan đến vật liệu mà còn liên quan trực tiếp đến độ đồng bộ kích thước với ống DIN 11850 và các chi tiết đi kèm trong cùng một bộ. Nếu chọn sai tiêu chuẩn, sai cỡ hoặc sai cấu hình ghép nối thì khi lắp thực tế rất dễ phát sinh tình trạng không khớp, không kín hoặc phải đổi trả gây mất thời gian.
Nếu bạn đang cần tìm đơn vị cung cấp dòng mặt bích này, Inox TK là địa chỉ đáng tham khảo vì có thể hỗ trợ theo đúng hướng kỹ thuật. Những lợi thế của Inox TK gồm:
- Cung cấp đúng nhóm phụ kiện vi sinh: Inox TK tập trung vào các dòng ống và phụ kiện inox vi sinh, trong đó có mặt bích inox vi sinh Serie A đồng bộ với ống DIN 11850, giúp khách hàng chọn đúng sản phẩm ngay từ đầu.
- Hỗ trợ đối chiếu đồng bộ từng chi tiết: Không chỉ cung cấp mặt bích đực hay mặt bích cái riêng lẻ, Inox TK có thể hỗ trợ đối chiếu theo cả bộ gồm mặt bích đực, mặt bích cái, gioăng O-ring và các loại mặt bích mù để hạn chế sai lệch khi lắp ghép.
- Tư vấn chọn đúng vật liệu: Tùy theo môi trường sử dụng, khách hàng có thể được tư vấn chọn inox 304 hoặc inox 316 sao cho phù hợp hơn với yêu cầu chống ăn mòn và mức đầu tư thực tế.
- Hàng hóa rõ ràng về quy cách: Đây là điểm quan trọng với phụ kiện vi sinh vì chỉ cần lệch một thông số nhỏ là cả bộ không lắp được. Việc có thông tin rõ về vật liệu, kích thước và cấu hình giúp quá trình chọn mua chính xác hơn.
- Hỗ trợ giấy tờ khi cần: Với các đơn hàng cần kiểm tra đầu vào hoặc bổ sung hồ sơ, Inox TK có thể hỗ trợ CO CQ theo yêu cầu để khách hàng yên tâm hơn về chất lượng hàng hóa.
- Chủ động hơn về tiến độ cung ứng: Khi cần đặt đủ bộ, cần nhiều size hoặc cần giao theo tiến độ lắp đặt, việc làm việc với một đầu mối chuyên ngành sẽ giúp tiết kiệm thời gian và hạn chế rủi ro thiếu chi tiết.
Liên hệ ngay với chúng tôi theo thông tin dưới đây để được tư vấn và báo giá mặt bích inox vi sinh Serie A nhanh chóng.
THÔNG TIN LIÊN HỆ:
- SĐT: 088.666.4291 (Ưu tiên liên hệ qua Zalo – Ms. Đông)
- SĐT: 088.666.4040 (Ưu tiên liên hệ qua Zalo – Ms. Dung)
- SĐT: 088.666.2480 (Ưu tiên liên hệ qua Zalo – Ms. Quỳnh Anh)
- SĐT: 088.666.5457 (Ưu tiên liên hệ qua Zalo – Ms. Bích)

























Đánh giá
Chưa có đánh giá nào.